రోమన్ సామ్రాజ్య చరిత్రలో కల్పిత చక్రవర్తిని నిజం చేసిన బంగారు నాణేం

చరిత్రలో కల్పిత పాత్రగా చెప్పుకున్న మూడో శతాబ్దపు ఒక రోమన్ చక్రవర్తి నిజానికి ఉండేవారని ఒక పురాతన బంగారు నాణేం వల్ల రుజువు అయినట్లు శాస్త్రవేత్తలు చెబుతున్నారు.
ట్రాన్సిల్వేనియాలో 300 ఏళ్ల క్రితం స్పాన్సియాన్ అనే పేరుతో పాటు వ్యక్తి ముఖచిత్రం ఉన్న నాణేం లభ్యమైంది. ఒకప్పుడు రోమన్ సామ్రాజ్యానికి ఈ ప్రాంతం సైనిక స్థావరంగా ఉండేది.
ఆ నాణేన్ని నకిలీదని భావించి దాన్ని మ్యూజియంలోని అల్మారాలో ఉంచారు.
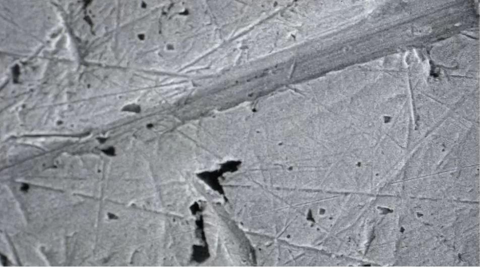
ఈ నాణేం 2000 ఏళ్ల క్రితం చెలామణిలో ఉండేదని నాణేన్ని మైక్రోస్కోపులో చూస్తే కనిపించే గీతలు రుజువు చేస్తున్నాయని తాజాగా శాస్త్రవేత్తలు చెబుతున్నారు.
ఈ ఆవిష్కరణతో తాను ఆశ్చర్యపోయానని బీబీసీతో పరిశోధనకు నేతృత్వం వహించిన లండన్ యూనివర్సిటీ కాలేజ్ ప్రొఫెసర్ పాల్ పియర్సన్ అన్నారు.
''నాణేంపై ఉన్న చిత్రం ఒక చక్రవర్తిది అని మేం కనుగొన్నాం. ఆయనను ఒక కల్పిత పాత్రగా పరిగణించారు. చరిత్ర నిపుణులు ఆయన గురించి అలాగే రాశారు.
- విప్ప సారా: బ్రిటిషర్లు నిషేధించిన ఈ భారతీయ మద్యం అంతర్జాతీయంగా ఆదరణ పొందగలదా?
- బంగారునాణేలను మ్యూజియం లోంచి 9 నిమిషాల్లో కొట్టేశారు, వాటి విలువ రూ. 13.5 కోట్లు

కానీ, ఆయన నిజమైన చక్రవర్తి అని, చరిత్రలో ఆయన పాత్ర ఉందని మేం భావిస్తున్నాం’’ అని ఆయన చెప్పుకొచ్చారు.
1713లో ఈ నాణేన్ని కనుగొన్నారు. 19వ శతాబ్దపు మధ్య కాలం వరకు ఇది నిజమైన రోమన్ నాణేం అని భావించారు. అయితే ఆ నాణేం డిజైన్ను చూసి అది నకిలీ నాణేం కావొచ్చని నిపుణులు అనుమానం వ్యక్తం చేశారు.
1863లో ఈ అనుమానం మరింత బలపడింది. బిబ్లియోథెక్ నేషనల్ డి ఫ్రాన్స్లోని ప్రముఖ నాణేల నిపుణు హెన్రీ కోహెన్ ఆ నాణేన్ని పరిశీలించి అది నకిలీది మాత్రమే కాదు దాన్ని నాసిరకంగా తయారుచేశారని చెప్పారు.
ఇతర నిపుణులు కూడా హెన్రీ మాటలను అంగీకరించారు. అప్పటినుంచి దాన్ని అపూర్వ వస్తువుల జాబితా నుంచి తొలిగించారు.
రోమన్ సామ్రాజ్య చరిత్ర పుస్తకం గురించి పరిశోధిస్తుండగా ఈ నాణేం ఫొటోలను చూసినప్పుడు ప్రొఫెసర్ పియర్సన్కు అనుమానం కలిగింది.
నాణేంపై ఉన్న గీతలను చూసిన ఆయన చెలామణిలో ఉన్న సమయంలోనే దానిపై ఆ గీతలు పడి ఉంటాయని అనుమానించారు.
గ్లాస్గో యూనివర్సిటీలోని హంటేరియన్ మ్యూజియాన్ని ఆయన సంప్రదించారు. అక్కడి పరిశోధకులతో కలిసి తాను కూడా పనిచేయొచ్చా అని వారిని అడిగారు. ఇంతకాలంగా ఆ నాణేం ఇదే మ్యూజియంలో ఉంది. మరో మూడు నాణేలతో కలిపి దాన్ని అక్కడే అల్మారాలో ఉంచారు.
శక్తిమంతమైన మైక్రోస్కోప్ సహాయంతో నాలుగు నాణేలను వారు పరిశీలించారు. నాణేంపై పడిన గీతలు పర్సుల్లో ఉంచడంతో నలగడం వల్ల ఏర్పడినవని నిర్ధారించి ఈ ఫలితాలను పీఎల్ఓఎస్ 1 జర్నల్లో పంచుకున్నారు.
వందల ఏళ్లుగా ఈ నాణేలు మట్టిలో పాతిపెట్టిన స్థితిలో ఉన్నట్లు రసాయన విశ్లేషణ ద్వారా తెలిసిందని మ్యూజియం క్యురేటర్, ఈప్రాజెక్టులో పియర్సన్తో కలిసి పనిచేసిన జెస్పర్ ఎరిక్సన్ చెప్పారు.
- ది గ్రేట్ మూన్ హోక్స్: 'చంద్రుని మీద మనుషులు, 420 కోట్ల జీవులు’.. వారికి బైబిల్ బోధించాలని 187 ఏళ్ల కిందట క్రైస్తవ మిషనరీలు నిధులు సేకరించినప్పుడు..
- రామసేతు: ఇది రాముడి కాలంలో జరిగిన నిర్మాణమేనా, కాదా?

ఇప్పుడిక పరిశోధకులు స్పాన్సియాన్ ఎవరు? అనే ప్రశ్నకు సమాధానం చెప్పాల్సి ఉంది.
రోమన్ సామ్రాజ్యంలోని అత్యంత కష్టతరమైన, సుదూరంలోని డాసియా అనే ప్రావిన్సుకు చక్రవర్తిగా పట్టాభిషిక్తుడైన ఒక మిలిటరీ కమాండర్ అని పరిశోధకులు భావిస్తున్నారు.
క్రీ.శ 260 కాలంలో రోమన్ సామ్రాజ్యం నుంచి డాసియా ప్రావిన్సుకు సంబంధాలు తెగిపోయినట్లు పురాతత్వ అధ్యయనాలు నిర్ధారించాయి. ఒక మహమ్మారి, అంతర్యుద్ధం కారణంగా ఆ సామ్రాజ్యం చిన్నాభిన్నమైంది.
రోమన్ సామ్రాజ్యం నుంచి దూరం కావడంతో పాటు శత్రువులు చుట్టుముట్టడం, అంతర్యుద్ధం వంటి గందరగోళ పరిస్థితుల్లో డాసియా పౌరులను, మిలిటరీని కాపాడేందుకు స్పాన్సియాన్ తనంతట తానుగా చక్రవర్తి పీఠాన్ని అధిష్టించాడని జెస్పర్ చెప్పారు. క్రీ.శ 271-క్రీ.శ 275 మధ్య కాలంలో డాసియా ప్రావిన్సు ఖాళీ అయినట్లు ఆయన వెల్లడించారు.
''రోమన్ సామ్రాజ్యం నుంచి డాసియాకు పూర్తిగా సంబంధాలు తెగిపోయాయి. శత్రువులు చుట్టుముట్టడంతో మిలిటరీ, పౌరులను కాపాండేందుకు ఆయన డాసియా బాధ్యతలు తీసుకున్నారు. ప్రావిన్సులో ఆర్థిక వ్యవస్థ కార్యకలాపాలు నడిచేందుకు సొంత నాణేలను ముద్రించాలని వారు నిర్ణయించుకున్నారు’’ అని జెస్పర్ వివరించారు.
- వీరప్పన్: అటవీ అధికారి తలతో ఫుట్బాల్ ఆడిన ఈ గంధపు చెక్కల స్మగ్లర్ను పోలీసులు 20 నిమిషాల్లో ఎలా చంపారంటే...
- ములాయం సింగ్ యాదవ్: ఎన్నో ప్రభుత్వాలను నిలబెట్టి, పడగొట్టిన రాజకీయ మల్లయోధుడు

రోమన్ సామ్రాజ్యపు నాణేలతో పోలిస్తే ఈ నాణేలు ఎందుకు భిన్నంగా ఉన్నాయో ఈ సిద్ధాంతం వివరిస్తుంది.
''అంతర్యుద్ధం ఉన్నందున అసలు చక్రవర్తి ఎవరో వారికి తెలియకపోవచ్చు. వారికి కావాల్సింది సుప్రీం మిలిటరీ కమాండర్. అవసరమైన సమయంలో ఆయన బాధ్యతలు తీసుకున్నారు’’ అని ప్రొఫెసర్ పియర్సన్ చెప్పారు.
ఆ నాణేలు ప్రామాణికమైనవే అని గుర్తించిన తర్వాత పరిశోధకులు ట్రాన్సిల్వేనియాలోని సిబియులో ఉన్న బ్రూకెంతల్ మ్యూజియం పరిశోధకులను అప్రమత్తం చేశారు. ఆ మ్యూజియంలో కూడా స్పాన్సియన్ నాణేం ఉంది.
ఆ నాణేం ట్రాన్సిల్వేనియా హాబ్స్బర్గ్ గవర్నర్ బరోన్ శామ్యూల్ వోన్ బ్రూకెంతల్కు చెందినది.
బరోన్ చనిపోయే సమయంలో ఆ నాణేం గురించి అధ్యయనం చేస్తున్నారు.
బ్రూకెంతల్ మ్యూజియంలోని నిపుణులు కూడా అందరిలాగే ఆ నాణేన్ని నికిలీ నాణేం అని అనుకున్నారు. కానీ, యూకే పరిశోధనను చూసిన తర్వాత వారి అభిప్రాయాన్ని మార్చుకున్నారు.
ఇవి కూడా చదవండి:
- పోడు వ్యవసాయమా, హరిత హారమా, పాత పగలా.. ఫారెస్ట్ రేంజ్ ఆఫీసర్ మరణానికి కారణం ఏంటి
- బంగారు నాణేలను మ్యూజియంలోంచి 9 నిమిషాల్లో కొట్టేశారు, వాటి విలువ రూ. 13.5 కోట్లు
- అఫ్గానిస్తాన్: 'ఆకలితో ఉన్న నా పిల్లలను నిద్రపుచ్చేందుకు మత్తు మందు ఇస్తున్నా'
- లచిత్ బార్పుకన్: అర్ధరాత్రి దెయ్యాల్లా ముస్తాబై మొఘల్ సైన్యం మీదకు అహోం సైన్యం ఎందుకు వెళ్లేది?
(బీబీసీ తెలుగును ఫేస్బుక్, ఇన్స్టాగ్రామ్, ట్విటర్లో ఫాలో అవ్వండి. యూట్యూబ్లో సబ్స్క్రైబ్ చేయండి.)
-
ఆసియాలోనే అతిపెద్ద, ప్రపంచంలో నాలుగో అతిపెద్ద విమానాశ్రయాన్ని ప్రారంభించనున్న ప్రధాని మోదీ -
తెలంగాణలో కొత్త అసెంబ్లీ సీట్లు ఇవే, కలిసొచ్చేది ఆ పార్టీకే- అసలు లెక్క..!! -
భారీగా బీర్ల ధరలు పెంపు, ఏ బ్రాండ్ ఎంత.!! -
పద్మవ్యూహంలోకి ట్రంప్ ? ఇరాన్ లో భూతల దాడి నరకమేనా ? -
పెట్రోల్, డీజిల్ ధరలు తగ్గింపు - కేంద్రం అనూహ్య నిర్ణయం, వంట గ్యాస్ రేట్లూ ఇక..!! -
బంగారం ధరల్లో అనూహ్యం- భారీగా రీబౌండ్ -
రామ్చరణ్ ‘పెద్ది’ గ్లింప్స్ పై రివ్యూ -
రామ్ చరణ్ బర్త్డే గిఫ్ట్ మామూలుగా లేదుగా! -
సమ్మర్ స్పెషల్ 'పెసరపప్పు చారు'.. ఇదొక్కటి యాడ్ చేస్తే టేస్ట్ అద్దిరిపోద్ది..! -
అమెరికన్ కరెన్సీ ఇకపై.. !! -
100 ఏళ్ల రికార్డును తుడిచేస్తున్న గోల్డ్ క్రాష్.. బిట్కాయిన్ జేత్రయాత్ర! -
యుద్ధానికి 10 రోజులు బ్రేక్: ట్రంప్ సంచలన నిర్ణయం!












Click it and Unblock the Notifications